Emergency Transfer Switch รุ่น ETS

สินค้า / อุปกรณ์เสริม /Emergency Transfer Switch รุ่น ETS

Emergency Transfer Switch

Emergency Transfer Switch ชุดตัดต่อพลังงานไฟฟ้าจากตู้ CENTRAL BATTERYซึ่งเป็นตู้ควบคุมส่วนกลาง โดยออกแบบมาเพื่อจุดประสงค์ให้หลอดไฟฟ้าแสงสว่างฉุกเฉินสามารถใช้งานร่วมกับหลอดไฟที่ใช้งานอยู่ปกติได้
ในสภาวะปกติสามารถเปิดและปิดหลอดไฟได้ตามปกติ แต่เมื่อไฟฟ้าดับหลอดไฟจะสว่าง
อัตโนมัติโดย Emergency Transfer Switch ทำงานร่วมกับชุดสำรองไฟฟ้าแสงสว่างฉุกเฉิน ชนิดแรงดันไฟฟ้ากระแสสลับ 230 โวลต์ 50 เฮิรตซ์ ในการสำรองไฟฟ้าแสงสว่างฉุกเฉินและในกรณีห้องที่มีการติดตั้ง Emergency Transfer switch เกิดไฟฟ้าดับหลอดไฟจะสว่างทันที

Technical Specifications​

Mode of Operation
Maintained/ Non-Maintained
Operation Temparature
0 to 60°C
Input Voltage
• CCU Input 230VAC/ 50Hz
• Signal Input 230VAC/ 50Hz
• Normal Line Input 230VAC/ 50Hz
Transfer Period
Within 1 second
Output Voltage
230VAC/ 50Hz
Maximum Power Load
1000 W
Protection Features
• AC Fuse
• Surge Protection
Housing
Electro-galvanized steel sheet 1mm. thick with epoxy powder coating
Dimensions (L x W x H)
125 x 60 x 30 mm
Weight
0.22 Kg
Degree of Protection
IP20
Standards / Compliance
ISO9001

Features

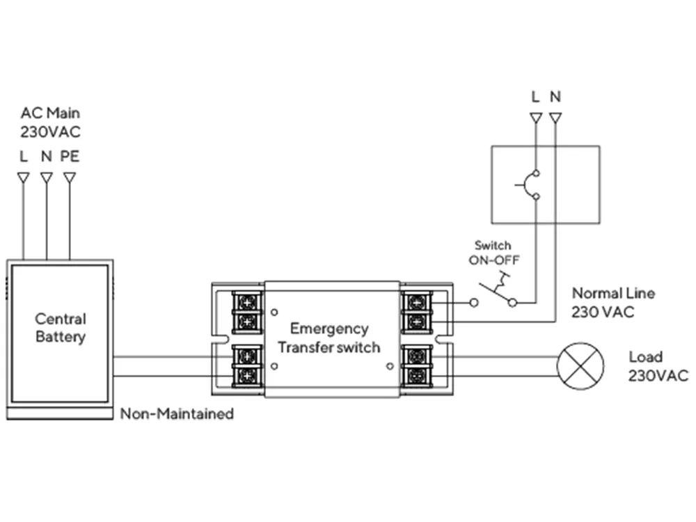
Wiring Diagram

Wiring Diagram (Maintained)

Wiring Diagram (Non-Maintained)

Indicators

LED Signal On
แสดงสถานะตรวจเช็คแรงดันไฟฟ้า 230VAC เข้าตัวเครื่อง
LED CCU Input
แสดงสถานะแรงดันไฟของ CENTRAL BATTERY เข้าตัวเครื่อง
LED Output
แสดงสถานะแรงดันไฟฟ้าทางด้าน Output

Dimensions (mm)

Model
Length (mm)
Width (mm)
Height (mm)
Weight (kgs.)
ETS220-1K
125
60
30
0.22